走进恒河
新闻信息
产品与服务
质量体系
技术实力
联系我们
English
走进恒河
新闻信息
产品与服务
质量体系
技术实力
联系我们
English
News center
新闻中心
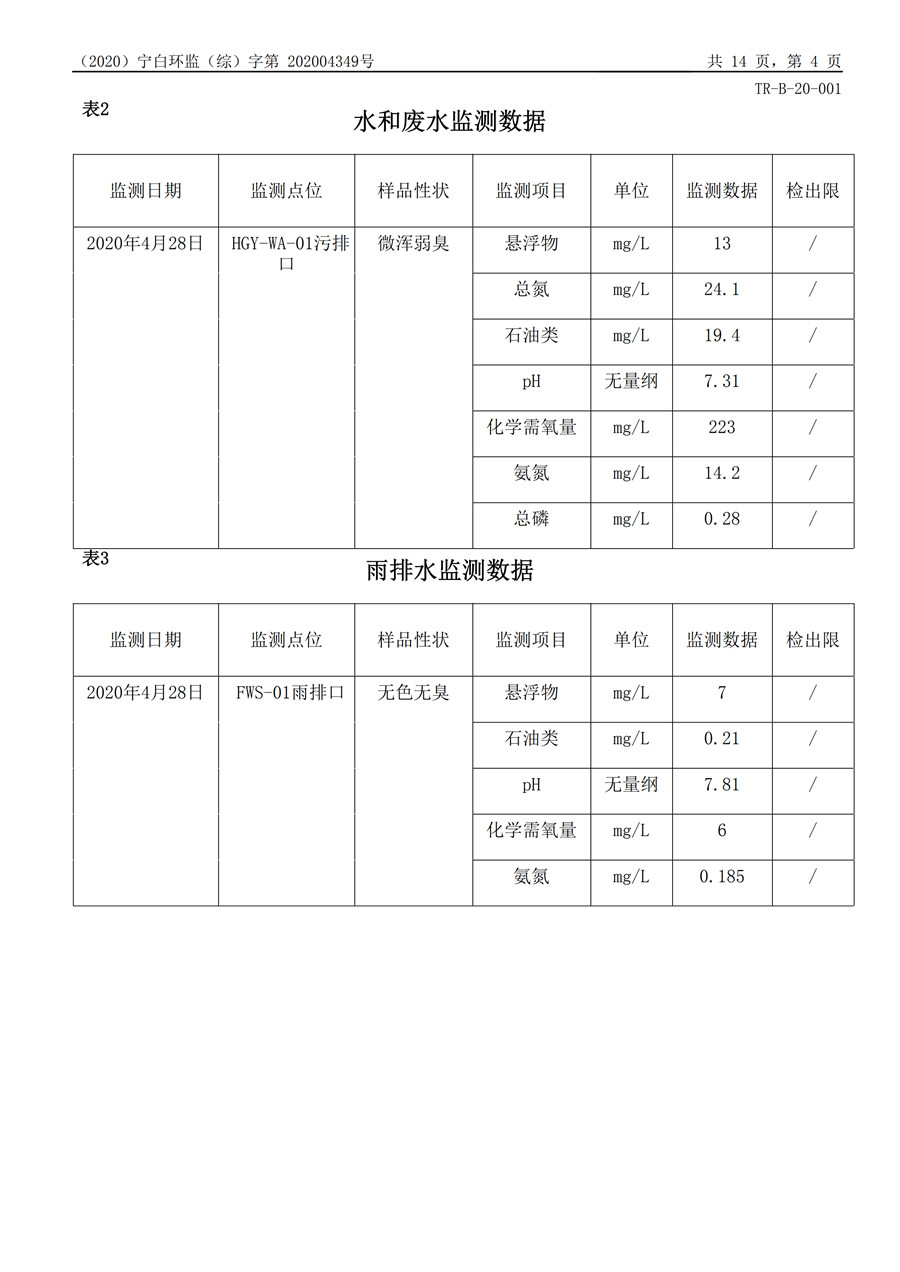
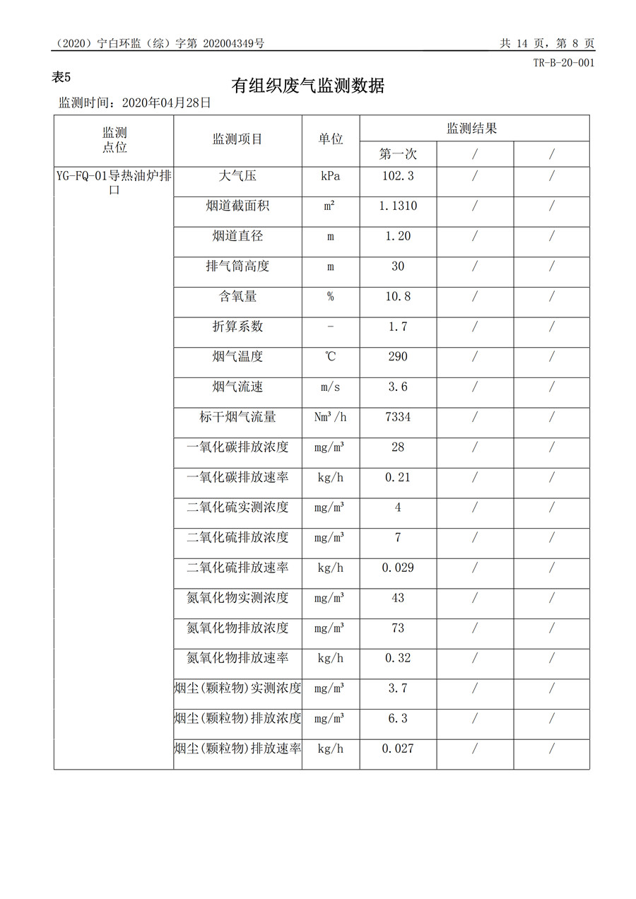
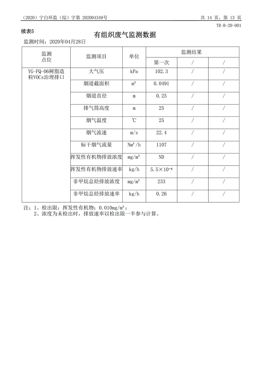
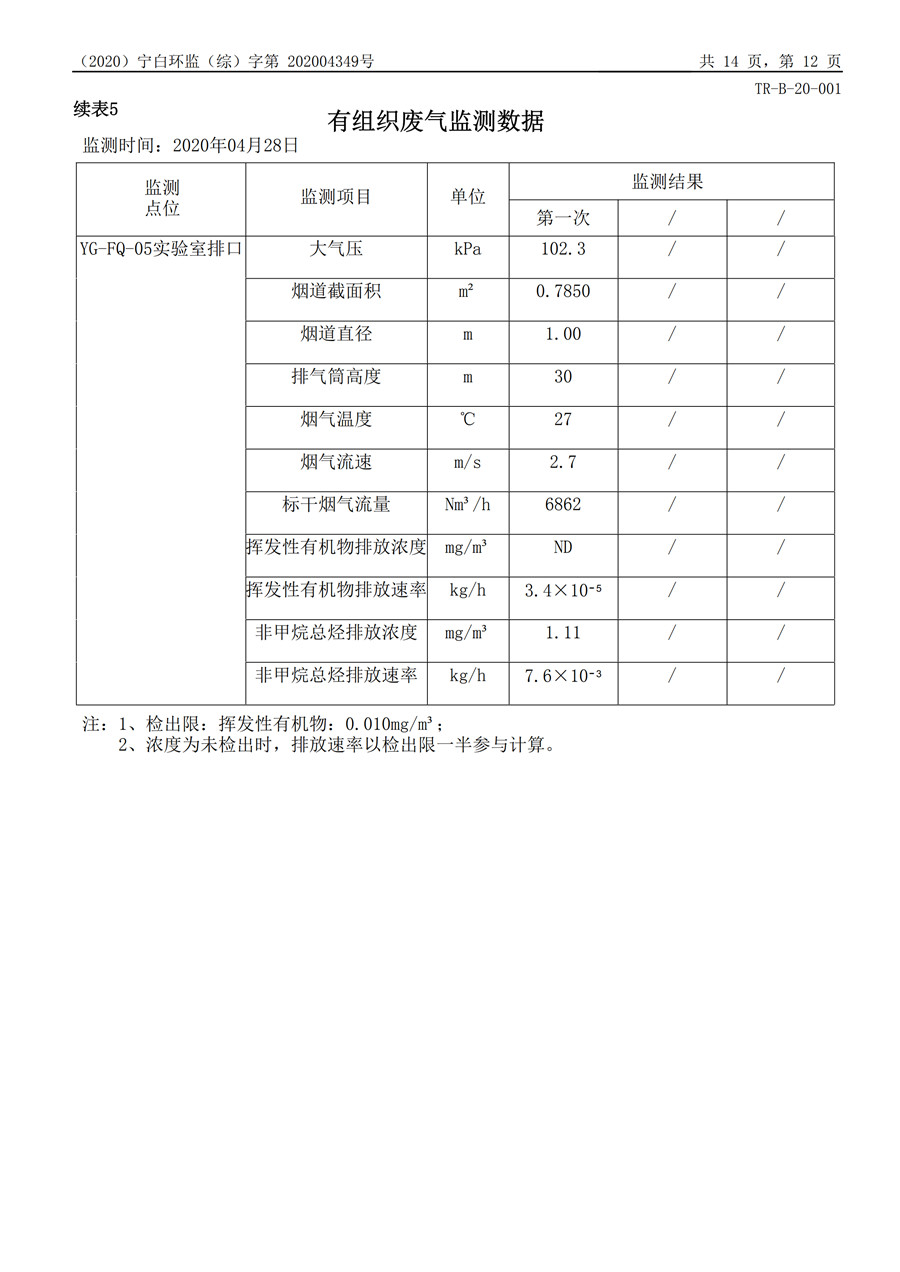
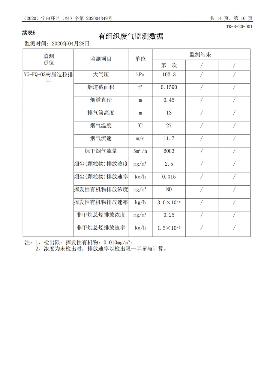
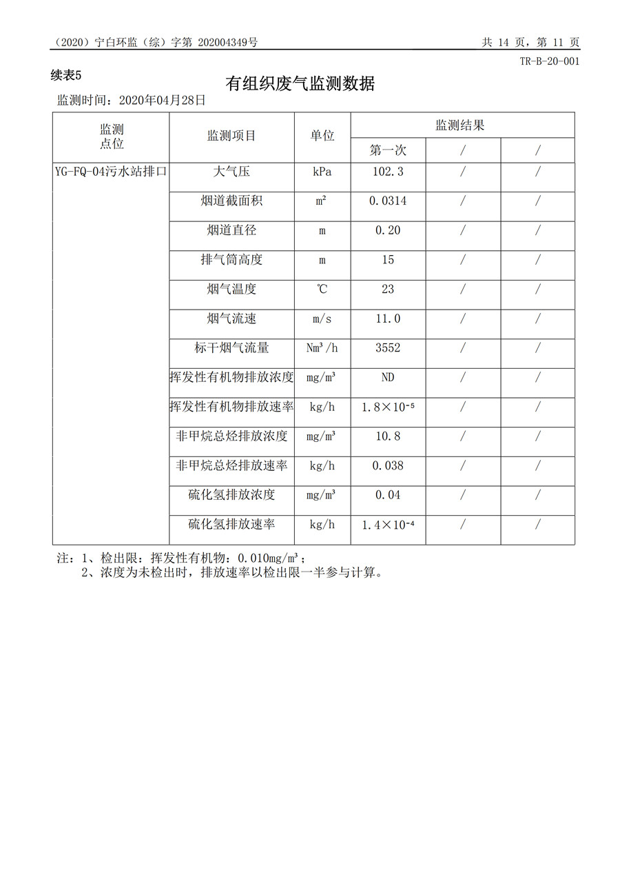
南京源港精细化工有限公司2020年第二季度自行监测数据
浏览次数:
日期:
2020年05月26日 13:49
上一篇:
五一丨劳动,平凡而不凡
上一篇:
五一丨劳动,平凡而不凡
所属类别:
公司要闻
该资讯的关键词为: